Nội dung bài viết
ToggleMÁY DÁN HỘP MK800FBII

Lưu ý:
- Máy tiêu chuẩn là máy dán chức năng dán cạnh và khóa đáy.
- Các chức năng dán hộp 4 góc, 6 góc, hộp CD, hộp kẹp file… là option tùy chọn.
- Đầu bắn keo lạnh là option tùy chọn, có thể chọn 2-3-4-5 đầu tùy kiểu hộp.
Technical specifications of equipment
A. Technical parameters
1. Applicable paper: 200-800gsm paperboard, E, F and N corrugated paper (miniature corrugated paper)
2. Speed:
Standard: The maximum linear speed is 400 m/min. (The optimal speed effect cannot be
achieved until the carton paper, die-cutting quality, paste quality, working environment,
temperature and humidity have satisfied the requirements.)
3. Applicable carton style:
– Unilateral folding cartons, bilateral folding cartons, lockbottom cartons
– Device for 4-corner collapsible carton: Additional rear attachments for the converting of
4-corner collapsible cartons will be required.
– Device for 6-corner collapsible carton: Additional rear attachments for the converting of
4-corner and 6-corner collapsible cartons will be required.
– Device for injection carton: Additional rear attachments for the converting of collapsible
cartons + multi spray gun control and gluing system will be required.
4. Folding way: 180° of 1st fold line, 135° of 3rd fold line.
5. Rated power:
13KW, 17KW (if rear attachments for the converting of collapsible cartons as option)
Full-load power:
15KW, 20KW (if rear attachments for the converting of collapsible cartons as option)
6. Main motor power: 11KW
7. Overall dimensions of complete machine (length * width * height): 14800mm×2010mm×2000mm
8. Machine weight: approx. 7300kg.
9. Air source requirements: 0.5-0.7MPa,≥0.32 m3/min
10. Paste: solute
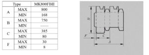
11. Standard of applicable cartons dimensions. (see the following details)
1) Standard carton:

*: can reach 90mm when min box device is selected.
2) Lockbottom carton:

3) Double sides
Type MK800FBII

4) 4 corner carton

5) 6 corner carton:

B. Specifications
1. Feeder
– Pneumatic lifting mechanism of feeding gates and joggers.
– Main and non-stop feeding gates for double sheets (2 sets for each)
– Paper pressing wheel for pasting larger size cartons
– Paper box support mechanism of release paper and paper pressing belt (support rod, support wheel, 2 sets for each side)
– Interface-free soft conveyor belt (made in Japan) (8 pieces)
– Brush roller paper fur remover;
– Wide belt stepless speed regulating mechanism
– Special vibrating motor
– Operating table
– Sub control electric box
2. Aligning system configuration
– Calibration device, carton blank feeder
– Correctors application to various box types of positive and negative gluing ports
– Paper supporting board for large-size cartons
3. Pre-folding station
– Front pressing belts in left and middle and right (3 pcs), rear pressing belts in left and middle and right (3 pcs), lower pressing belts in left and middle and right (3 pcs), folding belt in left and right (2 pcs)
– 135° of pre-folding U-shaped paper separating of positive and negative ends couplers line 3 (1 pc on both sides).
– 180° of pre-folding U-shaped paper distributor of positive and negative ends couplers line1 (1 pc on both sides).
– Paper expander plates to expand the pre-fold line again (1 pc on both sides).
– Supporting plate (1 set)
4. Blockbottom station
– Front pressing belts in left and middle and right (one for each), rear pressing belts in left and middle and right (one for each).
– 6 sets of bottom supporting blocks for small-big positive and negative hooks.
– Bottom sheet pressing rods, large-size hooks (1 set on both sides)
– Left and right supporting plate (2 sets)
– Bottom hook devices (4 sets)
5. Folding station
– Upper pressing belts in left and middle and right (one for each), lower pressing belts in left and middle and right (one for each), folding belt in left and right (2 pcs)
– Folding gate applicable to cartons of different materials (1 set for each).
– Mechanical speed change device for folding belt.
– 5mm glue wheel for the bottom glue unit applicable to positive and negative gluing ports (1 group on both sides).
– Supporting board applicable to large size cartons (1 set).
6. Compression station
– Left and right upper pressing belts (2 pcs), left and right front lower pressing belt (2 pcs), left and right rear lower pressing belts (2 pcs).
– Sensors device for carton quantity counting.
– Paper rejecting device with number marking.
7. Delivery station
– Upper pressing belt (1 pc), lower pressing belt (1 pc).
– Upper and lower carrier rollers for pneumatic pressing regulation.
– Carton mixed monitoring device with stop automatically function.
– Air filter device.
– Automatic paper delivery belt (2 sets).
– Roller cylinder solenoid valve.
8. Electrical and drive system
– Variable-frequency speed-regulating 11 KW motor
– Automatic speed control inverter 11 KW and 2.2 KW (1 set for each)
– Man-machine dialogue mode Touch screen operation mode.
– Master control box for complete settings of all functions
– Subordinate control box for the operation status control.
– Wireless remote for the whole machine action control.
– Rated power: 13KW.
Full-load power: 15KW.
9. Accessory equipment
– The buyer needs to prepare the air compressor in advance.
Specifications suggested for air compressors: Flow≥0.32m3 /min.
Xem thêm:


















