Nội dung bài viết
ToggleMÁY TRỘN MỰC KHUẤY MỰC IN
Model: M4/M5/M6
Lưu ý: Nếu khách hàng trộn mực in offset sử dụng động cơ 140w, nếu sử dụng trộn mực loãng như in lụa in flexo dùng động cơ 90w.
Hình ảnh máy trộn mực khuấy mực in:

Hình ảnh Vũ Gia lắp máy trộn mực khuấy mực in cho khách hàng:



Chức năng máy trộn mực khuấy mực in:
Máy này có chức năng quay thuận – quay ngược, có cài đặt thời gian, bảng điều khiển làm bằng vật liệu thép không gỉ.
Đặc điểm máy trộn mực khuấy mực in:
Công suất lớn, vận hành không gây tiếng ồn.
Ứng dụng:
Mực in, hồ nước, keo và các loại chất lỏng khác, dùng để khuấy trộn trước khi sử dụng nhằm tăng độ đồng đều và độ lưu động của mực. Có thể điều chỉnh tự do tốc độ khuấy, thời gian khuấy và vị trí khuấy tùy theo độ nhớt của từng loại chất lỏng.
Thông số kỹ thuật máy trộn mực khuấy mực in:
|
Model |
M4 | M5 |
M6 |
|
Dung lượng trộn mực |
1-5L | 1-10L | 20-30kg |
| Thời gian điều khiển | 0-60 phút | 0-60 phút |
10-150/ phút |
|
Tốc độ quay |
0-180 vòng/ phút | 0-180 vòng/ phút | 0-180 vòng/ phút |
| Điện áp | 220V 50Hz | 220V 50Hz |
220v/750w |
|
Trọng lượng máy |
21kg | 35kg | 85kg |
| Kích thước máy ( LxWxH) | 320x230x600mm | 400x400x900mm |
550x550x1300mm |
Cấu trúc mâm kẹp, mặt điều khiển làm bằng thép không gỉ

Bảng thao tác của máy trộn mực máy khuấy mực:

Ghi chú:
| 1 | Biến trở điều chỉnh tốc độ | 4 | Ampe kế (đồng hồ đo dòng điện) |
| 2 | Đèn báo nguồn | 5 | Bộ hẹn giờ điện tử |
| 3 | Công tắc nguồn dạng gạt | 6 | Cầu chì |
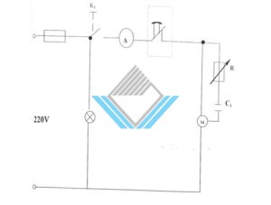
Sơ đồ mạch điện của máy khuấy mực

Hướng dẫn sử dụng và các lưu ý:
1.Đặt máy khuấy lên mặt bàn phẳng. Trước khi cắm điện, hãy kiểm tra điện áp có phải AC220V hay không. Sau khi xác nhận chính xác mới cắm vào ổ điện, lúc này đèn báo nguồn màu đỏ sẽ sáng.
2.Đặt hộp mực cần khuấy lên kẹp cố định trên bàn xoay. Khi sử dụng hộp nhựa nhỏ khoảng 1kg, có thể dùng kẹp phụ đi kèm. Sau khi xác nhận hộp mực đã được cố định chắc chắn mới đưa cánh khuấy vào.
3.Bật công tắc nguồn để khởi động, bàn xoay bắt đầu quay. Tốc độ quay từ 0–180 vòng/phút, có thể điều chỉnh tùy theo tính chất của mực in.
4.Máy có thiết bị điều khiển thời gian, người sử dụng có thể cài đặt thời gian khuấy phù hợp tùy theo độ nhớt của mực.
Lưu ý:
- Không đặt máy ở nơi ẩm ướt, có nước đọng hoặc gần nguồn lửa.
- Bề mặt bên ngoài máy phải luôn được giữ sạch sẽ.
- Sau khi sử dụng xong cần vệ sinh sạch cánh khuấy.







