Nội dung bài viết
ToggleMÁY DÁN HỘP KIỂM PHẨM SINOSUN
Ký hiệu: YL-800PC&JP/ YL-1100PC&JP
Hình ảnh máy dán hộp kiểm phẩm Sinosun 800 và 1100:

Các option tùy chọn mua thêm nếu có nhu cầu:
|
1 |
Option bắn keo tự động, tùy số đầu |
|
2 |
Option dán hộp 4 góc 6 góc |
| 3 |
Option thu sản phẩm tự động |
Video máy dán hộp kiểm phẩm Sinosun 800 và 1100 vận hành:
Thông số kỹ thuật máy dán hộp kiểm phẩm Sinosun 800 và 1100:
|
Mã máy |
YL-800PC&JP | YL-1100PC&JP |
| Định lượng giấy | 200-800g/㎡ giấy
(Giấy sóng E-F chỉ giới hạn ở các sản phẩm kiểm tra) |
200-800g/㎡ giấy (Giấy sóng E-F chỉ giới hạn ở các sản phẩm kiểm tra) |
|
Các loại hộp dán |
Hộp dán đường thẳng, hộp móc đáy , (tùy chọn hộp 4 góc, hộp 6 góc ) |
200-800g/㎡ giấy (Giấy sóng E-F chỉ giới hạn ở các sản phẩm kiểm tra) |
|
Chiều rộng gấp hộp tối đa |
800mm | 1100mm |
| Phương thức nạp giấy | Nạp giấy tự động liên tục |
Nạp giấy tự động liên tục |
|
Tốc độ dán hộp tối đa |
400m/phút
(Chỉ giới hạn hộp giấy dán cạnh thông thường) |
400m/phút (Chỉ giới hạn hộp giấy dán cạnh thông thường) |
|
Tốc độ kiểm tra cơ bản |
80-180 m/phút
Bề mặt phủ UV, phủ nhũ bạc, phủ laser (chỉ giới hạn hộp cứng dán đường thẳng thông thường) |
80-180 m/phút Bề mặt phủ UV, phủ nhũ bạc, phủ laser (chỉ giới hạn hộp cứng dán đường thẳng thông thường) |
|
180-280 m/phút Bề mặt phủ dầu bóng, phủ satin, cán màng mờ , cán màng bóng (chỉ giới hạn hộp cứng dán đường thẳng thông thường) |
180-280 m/phút Bề mặt phủ dầu bóng, phủ satin, cán màng mờ , cán màng bóng (chỉ giới hạn hộp cứng dán đường thẳng thông thường) |
|
|
Lưu ý: Các sản phẩm cán vân nổi không phù hợp để kiểm tra |
Lưu ý: Các sản phẩm cán vân nổi không phù hợp để kiểm tra |
|
|
Chất kết dính |
Keo lạnh dạng lỏng | Keo lạnh dạng lỏng |
| Công suất và điện áp | 25KW,AC220V/380V |
45KW,AC220V/380V |
|
Trọng lượng máy |
Khoảng 9T | Khoảng 12.5T |
| Kích thước máy dán ( DxRxC) | 19000 x 2900x1800mm |
23330 x 3300x1800mm |
|
Kích thước máy thu hộp ( DxRxC) (Optional tùy chọn mua nếu có nhu cầu) |
3550 x 2000 x1350mm | 3550 x 2000 x1350mm |
|
Áp suất khí (Khách hàng chuẩn bị đường khí vào máy) |
6 bar |
6 bar |
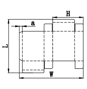
Thông số hộp dán cạnh của máy dán hộp kiểm phẩm Sinosun 800:
|
Hộp dán đường thẳng
|
Tối đa/mm
|
Tổi thiểu/mm
|
|
| L | 800mm |
100mm |
|
|
W |
800mm | 130mm | |
| H | 390mm |
60mm |
Thông số hộp dán cạnh của máy dán hộp kiểm phẩm Sinosun 1100:
| Hộp dán đường thẳng
|
Tối đa/mm
|
Tổi thiểu/mm
|
|
|
L |
1000mm | 140mm | |
| W | 1100mm |
230mm |
|
|
H |
540mm |
105mm |
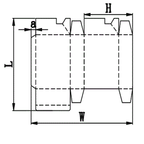
Thông số hộp dán móc đáy của máy dán hộp kiểm phẩm Sinosun 800:
|
Hộp móc đáy tự động |
Tối đa/mm
|
Tổi thiểu/mm
|
|
| L | 800mm |
100mm |
|
|
W |
800mm | 170mm | |
| H | 390mm |
80mm |
Thông số hộp dán móc đáy của máy dán hộp kiểm phẩm Sinosun 1100:
|
Hộp móc đáy tự động |
Tối đa/mm
|
Tổi thiểu/mm
|
|
| L | 1000mm |
140mm |
|
|
W |
1100mm | 240mm | |
| H | 540mm |
110mm |
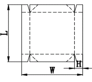
Thông số hộp 4 góc của máy dán hộp kiểm phẩm Sinosun 800:
|
Hộp 4 góc (Optional tùy chọn mua thêm nếu có nhu cầu) |
Tối đa/mm
|
Tổi thiểu/mm
|
|
| L | 800mm |
130mm |
|
|
W |
800mm | 150mm | |
| H | 150mm |
20mm |
Thông số hộp 4 góc của máy dán hộp kiểm phẩm Sinosun 1100:
|
Hộp 4 góc (Optional) |
Tối đa/mm
|
Tổi thiểu/mm
|
|
| L | 1000mm |
140mm |
|
|
W |
1050mm | 210mm | |
| H | 150mm |
30mm |
Thông số hộp 6 góc của máy dán hộp kiểm phẩm Sinosun 800:
|
Hộp 6 góc (Optional tùy chọn mua thêm nếu có nhu cầu) |
Tối đa/mm | Tổi thiểu/mm
|
|
| L | 800mm |
130mm |
|
|
W |
800mm | 250mm | |
| H | 150mm |
30mm |
Thông số hộp 6 góc của máy dán hộp kiểm phẩm Sinosun 1100:
|
Hộp 6 góc (Optional) |
Tối đa/mm | Tổi thiểu/mm |
|
| L | 1000mm |
140mm |
|
|
W |
1050mm | 310mm | |
| H | 150mm |
30mm |
Đặc điểm máy dán hộp kiểm phẩm Sinosun 800 và 1100:
|
Số TT |
Đặc điểm |
| 1 |
Máy này được trang bị hệ thống điều khiển người-máy màn hình cảm ứng màu, chức năng tự động tăng giảm tốc độ máy chủ và băng tải ép, hệ thống cài đặt thông số đồng bộ. |
|
2 |
Mỗi bộ phận của máy đều có thanh kẹp được thiết kế cẩn thận để dễ dàng vận hành chỉ với một người, đảm bảo tốc độ và hiệu suất cao. |
| 3 |
Bộ điều khiển tốc độ vô cấp, động cơ công suất cao, tốc độ tối đa 400 m/phút (dán hộp phổ thông tiêu chuẩn). Đai truyền động sử dụng dây đai poly-V, không có tiếng ồn, hiệu suất cao và dễ bảo trì, đảm bảo hiệu quả kinh tế cao. |
|
4 |
Mỗi bộ phận của máy đều được thiết kế theo dạng mô-đun, cho phép lắp ráp nhanh chóng và dễ dàng, tiết kiệm thời gian thay đổi đơn hàng , dễ học và vận hành. |
| 5 |
Được trang bị ống keo phía dưới hai bên, hệ thống súng phun, thiết kế khóa đáy độc đáo, phù hợp với nhu cầu của sản phẩm. |
|
6 |
Băng tải ép có hệ thống điều chỉnh áp suất được thiết kế đặc biệt phù hợp với nhu cầu của sản phẩm. Được trang bị đai xốp mềm đặc biệt để đảm bảo uốn cong đồng đều và an toàn, đảm bảo chất lượng hoàn hảo. |
| 7 |
Bộ đếm quang điện, có thể thực hiện đếm tổng hoặc đếm định lượng và được trang bị thiết bị nhận dạng. |
Cấu hình máy dán hộp kiểm phẩm Sinosun 800 và 1100:
|
Số TT |
Tên các bộ phận của máy |
Hình ảnh |
| 1 | Bộ nạp giấy:
– Bộ nạp giấy được trang bị 6 dây băng tải nạp giấy. – Mỗi bộ đĩa dẫn hướng có thể di chuyển theo chiều ngang, cấu trúc điều chỉnh độ căng chặt của băng tải độc lập. – Động cơ biến tần điều chỉnh tốc độ độc lập. – Động cơ rung có thể điều chỉnh. – Các tấm chặn bên của bộ nạp giấy có thể điều chỉnh độ rộng để dễ dàng nạp giấy theo chiều dọc. – Hai bộ dao cắt giấy có thể điều chỉnh và một bộ dao cắt giấy phụ. |
|
| 2 | Bộ phận hiệu chỉnh lệch:
– Được trang bị thiết bị hiệu chỉnh bên trái và bên phải. -Tay kê bên có thể điều chỉnh độc lập, hiệu chỉnh độ lệch của giấy ra, cải thiện độ chính xác của sản phẩm, đảm bảo nạp giấy chính xác. |
|
| 3 | Bộ phận kiểm tra:
– Sử dụng quạt ly tâm hấp phụ mới, loại bỏ các máy bơm khí công suất cao, tiếng ồn lớn , nhiệt độ cao, mang lại thiết kế thân thiện với môi trường và tiết kiệm năng lượng hơn. |
|
| 4 | Loại bỏ phế phẩm:
– Loại bỏ bằng thổi khí: Được trang bị nhiều đầu thổi khí để điều chỉnh theo hình dạng hộp. Hệ thống loại bỏ này không tiếp xúc này tránh hư hỏng sản phẩm, phù hợp với giấy có trọng lượng 200-400g. -Loại bỏ cơ học: Phù hợp với các sản phẩm bìa cứng dày, trọng lượng 200-650g. |
|
| 5 | Bộ phận thu liệu:
-Bộ phận thu liệu bao gồm một bộ phận thu chất lượng tốt, một bộ phận thu phế liệu, bộ phận thu phế liệu 2 (optional). Bộ phận thu liệu sử dụng hệ thống thu liệu dạng vảy cá, thích ứng với nhiều loại vật liệu in, điều chỉnh nhanh chóng, thuận tiện. |
|
| 6 | Bộ phận gấp trước:
– Bộ phận gấp trước mở rộng có thể gấp đường thứ nhất 180°, gấp đường thứ 3 là 135°. – Điều này giúp việc mở hộp carton dễ dàng hơn khi chứa sản phẩm. – Tấm gắn phía trên được chia thành hai phần trái và phải, cho phép điều chỉnh linh hoạt và thuận tiện cho các sản phẩm. – Thiết kế mở rộng, đa chức năng hỗ trợ nhiều phương pháp gấp khác nhau cho các hộp có hình dạng khách nhau. |
|
| 7 | Bộ phận móc đáy:
– Thiết kế mô-đun giúp giảm thời gian lắp đặt và thay đổi phụ kiện. – Thiết kế phân đoạn của tấm lắp phía trên bên trái và bên phải giúp dễ dàng sử dụng nhiều phương pháp gấp khác nhau cho các loại hộp có hình dạng đặc biệt. – Tấm ngoài bên trái được trang bị dây đai gấp đa năng và dao gấp. – Phần này được trang bị mô-đun kết hợp móc đáy để khóa đáy hộp. |
|
| 8 | Bộ phận dán keo:
– Thiết kế ống keo phía dưới giúp kiểm soát chính xác lượng keo, đảm bảo keo không bị tràn ra ngoài khi vận hành ở tốc độ cao và dễ dàng tháo lắp, vệ sinh. -Được trang bị 2 bộ ống keo dưới, mỗi bên một ống. |
|
| 9 | Bộ phận gấp:
– Đai gấp ngoài bên trái và bên phải có thể được điều chỉnh tốc độ độc lập, giúp thao tác nhanh chóng và tiện lợi. – Hai bộ giá kéo đai dưới 25mm và đai uốn 30mm. – Hai dao gấp chuyên dụng bên trái và bên phải giúp kiểm soát hiệu quả hình dạng gấp cạnh kéo sau khi tạo hình. |
|
| 10 | Bộ phận đầu ra :
-Các giá đỡ trên và dưới được điều khiển độc lập, giúp dễ dàng điều chỉnh chiều dài. – Được trang bị hệ thống tự động điều chỉnh độ căng chặt của băng tải. -Việc tích trữ hộp tự động liên tục đảm bảo việc vận chuyển hộp đến bộ phận băng tải được gọn gàng.
|
|
| 11 | Bộ phận băng tải ép:
-Băng tải được trang bị bộ điều khiển tốc độ biến tần, được kết nối tỷ lệ thuận với máy chính. Máy ép khí nén có chức năng điều chỉnh áp suất theo từng đoạn, thiết kế cụm sau mở rộng đảm bảo sản phẩm ít bị bong keo. – Băng tải trên và dưới sử dụng động cơ độc lập để vận hành đồng bộ. -Áp suất của băng tải trên có thể di chuyển về phía trước và phía sau để phù hợp với các chiều dài hộp khác nhau.
|
|
| 12 | Động cơ servo và thiết bị móc ngược (Optional tùy chọn mua thêm)
– Hai trục servo đảm bảo gấp móc ngược chính xác, dễ dàng cấu hình thông qua màn hình cảm ứng. -Hệ thống chống móc điện tử được điều khiển bởi động cơ servo thông minh. |
|
Danh sách cấu hình linh kiện máy dán hộp kiểm phẩm Sinosun 800:
|
1 |
Bộ phận nạp giấy |
|
Biến tần điều chỉnh tốc độ độc lập |
|
|
Băng tải nạp giấy |
|
|
Động cơ rung |
|
|
2 |
Bộ phận hiệu chỉnh |
|
Băng tải gấp Tianqi/Yuzemeng |
|
|
Chân vịt đặc biệt YL |
|
| 3 |
Bộ phận kiểm tra: – Sử dụng thiết kế hấp phụ quạt ly tâm mới. – Loại bỏ các bơm khí công suất cao, tiếng ồn lớn và nhiệt độ cao, giúp thân thiện với môi trường và tiết kiệm năng lượng hơn. |
|
4 |
Loại bỏ phế phẩm – Loại bỏ bằng thổi khí: Được trang bị nhiều đầu thổi khí để điều chỉnh theo hình dạng hộp. -Hệ thống loại bỏ này không tiếp xúc này tránh hư hỏng sản phẩm, phù hợp với giấy có trọng lượng 200-400g. -Loại bỏ cơ học: Phù hợp với các sản phẩm bìa cứng dày, trọng lượng 200-650g. |
|
5 |
Bộ phận thu liệu: -Bộ phận thu liệu bao gồm một bộ phận thu chất lượng tốt, một bộ phận thu phế liệu, bộ phận thu phế liệu 2 (optional). Bộ phận thu liệu sử dụng hệ thống thu liệu dạng vảy cá, thích ứng với nhiều loại vật liệu in, điều chỉnh nhanh chóng, thuận tiện |
|
6 |
Bộ phận gấp trước |
| Đường đầu tiên bên trái 180°, đường thứ ba bên phải 135°. | |
| Băng tải gấp Tianqi/Yuzemeng | |
| Chân vịt đặc biệt YL | |
|
7 |
Bộ phận móc đáy |
| Băng tải gấp Tianqi/Yuzemeng | |
| Linh kiện khóa đáy | |
| Chân vịt chuyên dụng YL | |
|
8 |
Bể keo dưới |
| Thiết kế hai bên trái phải | |
| Ổn định ở tốc độ cao, keo không bị bắn hoặc rò rỉ keo | |
| Sử dụng con lăn khía | |
|
9 |
Bộ phận gấp |
| Một bộ dao gấp trái và phải | |
| Đai gấp Tianqi/Yuzemeng | |
| Chân vịt đặc biệt YL | |
|
10 |
Bộ phận đầu ra |
| Bộ đếm quang điện | |
| Bộ đếm tấm đá cơ khí bằng khí nén | |
| Băng tải gấp Tianqi/Yuzemeng | |
| Chân vịt chuyên dụng YL | |
|
11 |
Băng tải |
| Biến tần điều chỉnh tốc độ, kết nối với động cơ chính | |
| Cấu trúc điều chỉnh áp suất bằng khí nén, áp suất rộng, cân bằng áp suất trước và sau. | |
|
12 |
Hệ thống điện |
| Động cơ chính sử dụng TECO/Inmonda/ABB | |
| Biến tần sử dụng Huichuan. | |
| PLC sử dụng LG (LS) của Hàn Quốc, màn hình cảm ứng giao diện người-máy sử dụng Fanyi. | |
| Thiết bị điện hạ thế: Contactor AC, rơ le Schneider- France, rơ le trung gian Omron – Japan, nút ấn Konida, thiết bị quang điện SICK – Germany. | |
| Vòng bi NSK /HCH -Japan | |
| Đai đa rãnh Hutchinson –France. | |
| Băng tải đến từ Siegling/Tianqi –Germany. | |
|
13 |
Các thiết bị khác |
| Tấm tường máy chủ: dày 16mm, kích thước 45# | |
| Tấm tường bên trong máy : dày 8mm, kích thước 45# | |
| Tấm tường phía sau máy dày 12mm, kích thước 45# |
Giới thiệu hệ thống kiểm tra
của máy dán hộp kiểm phẩm Sinosun 800 và 1100
Hệ thống kiểm tra máy dán hộp dựa trên phần mềm Printing Plus 6.0, cùng với hệ thống thu thập và xử lý hình ảnh. Được cài đặt trên máy dán hộp, hệ thống này phát hiện các lỗi bề mặt trên các hộp carton đã cắt bế có thể ảnh hưởng đến chất lượng giao hàng. Các hộp carton lỗi sau đó sẽ bị loại bỏ, giúp cải thiện năng suất của các hộp carton được giao cho khách hàng.
1. Nhu cầu kiểm tra trực tuyến hộp dán:
Công ty chúng tôi chủ yếu sản xuất hộp dược phẩm, với vẻ ngoài tinh tế và giá trị gia tăng cao. Các nhà sản xuất có yêu cầu nghiêm ngặt, khiến việc kiểm tra chất lượng trở thành một phần thiết yếu của quy trình sản xuất. In hộp dược phẩm chủ yếu dựa vào in offset. Do đặc điểm vốn có của thiết bị được sử dụng trong mỗi quy trình in, các sản phẩm lỗi có thể dễ dàng được tạo ra trong quá trình mã hóa, in ấn, cắt bế, ép nhũ, cán vân nổi và dán hộp. Các lỗi như nhòe mực, in thiếu nội dung, bắn mực, in chồng không đều, ép nhũ sót, nhăn, trầy xước, cán vân nổi không đều, lỗi phủ bóng, lỗi cán màng có thể xảy ra do các vấn đề như ma sát cao su, bong tróc bản in, đổ mực và nhũ tương mực. Những lỗi này hiện đang được phát hiện thủ công, nhưng do hạn chế về năng lực sản xuất và khối lượng công việc ngày càng tăng, việc kiểm tra thủ công không hiệu quả và tốn kém. Hơn nữa, do mỏi mắt, ngay cả những hộp chất lượng cao được kiểm tra thủ công vẫn bỏ sót một số lỗi, khiến việc đảm bảo chất lượng đáng tin cậy là không thể. Do đó, chúng tôi đang tìm cách cải tiến công nghệ và thay thế lao động thủ công bằng máy kiểm tra chất lượng dễ sử dụng, có độ chính xác cao để đáp ứng các yêu cầu chất lượng ngày càng nghiêm ngặt và nâng cao hiệu quả trong quá trình kiểm tra.
2. Cấu hình của hệ thống kiểm tra trực tuyến máy dán hộp:
Dựa trên nghiên cứu sơ bộ, chúng tôi đề xuất một hệ thống kiểm tra trực tuyến cho máy dán bìa offset bao gồm phần mềm kiểm tra PrintingPlus 6.0, hệ thống hình ảnh quang học độ phân giải cao và trạm xử lý hình ảnh tốc độ cao. Hệ thống này, được lắp đặt trên máy dán bìa tốc độ cao (xem hình 1), sẽ cung cấp khả năng phát hiện lỗi theo thời gian thực trên các sản phẩm in trong quá trình sản xuất tốc độ cao mà mắt thường khó phát hiện. Giải pháp hoàn chỉnh này phù hợp với bìa cứng từ 200 – 650g, với quy trình vận hành và lắp đặt đơn giản.

Hình 1 : Cấu hình máy kiểm tra

Hình 2: Sơ đồ cấu trúc lắp đặt hệ thống hình ảnh quang học
3. Phần mềm kiểm tra PrintingPlus 6.0
Phần mềm kiểm tra PrintingPlus 6.0 hiện là phần mềm kiểm tra chuyên dụng được cài đặt rộng rãi, ổn định và thân thiện với người dùng nhất tại Trung Quốc. Tính năng nổi bật nhất của phần mềm là khả năng tạo ra một hình ảnh sản phẩm duy nhất, chất lượng cao. Thao tác cực kỳ đơn giản: Việc tạo ra một hình ảnh sản phẩm mới chỉ mất hai phút. Sử dụng các thuật toán mới nhất, phần mềm tự hào có độ chính xác cao, tốc độ nhanh và ít lỗi sai, cho phép đạt được khả năng kiểm tra toàn diện chỉ với một máy tính công nghiệp.

Hình 3: Giao diện phần mềm kiểm tra PrintingPlus 6.0
Dựa trên nhiều lớp hoàn thiện bề mặt được sử dụng trên bao bì hộp màu dược phẩm và các lỗi cần kiểm tra, chúng tôi khuyến nghị sử dụng nhiều nguồn sáng với các camera khác nhau để chụp ảnh các loại lỗi khác nhau, tạo ra các trạm chụp ảnh riêng biệt. Mỗi trạm có thể chụp ảnh có độ tương phản cao của một tập hợp các lỗi, và nhiều trạm phối hợp với nhau để tạo ra hình ảnh toàn diện, đảm bảo chụp được 100% tất cả các lỗi cần kiểm tra, đảm bảo phần mềm kiểm tra phát hiện 100%.
Đối với các lỗi chất lượng thường gặp, Công ty TNHH Công nghệ Quang học Lingyun khuyến nghị sử dụng nguồn sáng tunnel. Nguồn sáng phản xạ khuếch tán đồng đều này rất nhạy cảm với màu sắc, nhưng có tác động hạn chế đến độ bóng bề mặt. Camera màu 8K của Luster cung cấp độ phân giải vừa phải và tốc độ in rất cao. Với tốc độ 300 m/phút, nó có thể đạt độ phân giải dọc 0,15 mm. Camera này có thể phát hiện các lỗi chất lượng in phổ biến như sai màu, nhòe mực, thiếu bản in, tích tụ bột, làm trắng PP, nước khô, lỗi đường in do trầy xước giấy nền, nhòe bản in, ép nhũ sót, in lệch do cắt bế và hư hỏng cạnh.
Đối với các lỗi chất lượng chỉ có thể nhìn thấy bằng cách phản xạ từ một góc độ nhất định, Công ty TNHH Công nghệ Quang học Lingyun khuyến nghị sử dụng nguồn sáng 3D. Nguồn sáng này được xử lý thông qua một đường dẫn quang học nhất định để tạo thành mối quan hệ song song giữa các chùm sáng. Nguồn sáng này có hiệu ứng hình ảnh mạnh đối với các lỗi không đồng đều trên bề mặt hộp màu dược phẩm. Đồng thời, nó cũng có thể làm suy yếu hiệu ứng hình ảnh của các lỗi chất lượng thông thường ở một mức độ nhất định, giúp phần mềm kiểm tra phân tích hình ảnh ngắn gọn và hiệu quả hơn. Camera đen trắng LUSTER 8K, camera này có tần số dòng cao và độ phân giải cao, và có độ chính xác hình ảnh cao đối với các lỗi trầy xước. Sự kết hợp giữa nguồn sáng và camera tại trạm này có thể đáp ứng các yêu cầu kiểm tra sau đối với hộp màu dược phẩm: cán bóng không đồng đều, bọt khí, nếp nhăn, lỗ hổng, cán màng sót , vết xước, cán vân sót …và các lỗi khác.
Đối với trạm kiểm tra mã vạch, Công ty TNHH Công nghệ Quang học Lingyun khuyến nghị sử dụng camera đen trắng LUSTER 8K kết hợp với nguồn sáng hai chiều để thực hiện chụp ảnh có độ chính xác cao khu vực mã vạch trên hộp màu thuốc. Độ chính xác hình ảnh đạt 0,05mm x 0,05mm, đảm bảo phát hiện lỗi mã vạch và đáp ứng các yêu cầu kiểm tra sau: vạch đen mã vạch, vạch trắng mã vạch, vạch vỡ mã vạch, vạch mực, chữ không đầy đủ, vấn đề mờ, mã trùng lặp, mã sai, mã không khớp với văn bản, mật độ mã vạch, mã không đọc được, mẫu mã không nhất quán, v.v.

Hình 4. Thiết kế hệ thống quang học
4.Hệ thống điện khí:
Để tăng cường độ ổn định của thiết bị, tất cả các linh kiện điện trong hệ thống kiểm tra Lingyunguang đều sử dụng cấu hình cao cấp. Mô-đun điều khiển điện bao gồm bốn thành phần: Bộ phân phối điện, bộ truyền tín hiệu và điều khiển, bộ thu nhận hình ảnh và hệ thống máy tính công nghiệp. Lingyunguang sử dụng công nghệ thẻ mở rộng, cho phép một máy tính công nghiệp duy nhất đáp ứng các yêu cầu kiểm tra. Máy tính công nghiệp là thành phần không ổn định nhất của giải pháp kiểm tra dán hộp và đấu dây. Việc sử dụng một máy tính công nghiệp duy nhất thay vì nhiều máy tính giúp cải thiện đáng kể độ ổn định của giải pháp. Bảng sau liệt kê các thành phần cốt lõi và chức năng của chúng.
|
Modun điều khiển |
Cấu hình linh kiện |
Chức năng |
|
Đơn vị tín hiệu |
Card IO, hộp đồng bộ hóa, encoder nhập khẩu. |
Hoàn thiện chức năng đồng bộ của hệ thống điều khiển cơ khí và hệ thống thu nhận hình ảnh. |
|
Đơn vị thu thập hình ảnh |
Camera công nghiệp mảng tuyến tính, ống kính công nghiệp, thẻ thu hình ảnh tốc độ cao và nguồn sáng LED chuyên dụng. |
Thu thập hình ảnh hoàn chỉnh |
|
Đơn vị nguồn điện |
Nguồn cấp cho camera, nguồn cấp cho đèn LED, nguồn cấp cho quạt và tủ điện điều hòa. |
Cung cấp điện cho các linh kiện tương ứng, nguồn điện là 220V. Đặc biệt bổ sung thêm điều hòa không khí của tủ điện để nâng cao tính ổn định của hệ thống. |
|
Hệ thống điều khiển |
Bộ vi xử lý Core i7 mới nhất, 3,44GHz*4, ổ cứng 2T, màn hình LCD 24 inch, bàn phím và chuột. |
Hoàn thiện các hoạt động xử lý hình ảnh và chức năng tương tác giữa người và máy tính. |
5. Thông số kỹ thuật của hệ thống kiểm tra:
|
Chiều rộng kiểm tra |
800mm/1100 |
| Sản phẩm in |
Hộp giấy duplex, ivory |
|
Tốc độ kiểm tra |
300 m/ giờ |
| Độ chính xác kiểm tra |
Độ chính xác phát hiện lỗi tối thiểu 0,1mm² (độ tương phản cao) |
|
Loại lỗi phát hiện (độ tương phản cao) |
Kiểm tra mặt chính: Hình ảnh lệch, mất hoa văn, chữ bị vỡ, vết bẩn, in thiếu nội dung, mực bay, bản in bị nhòe, in chồng lên bản in offset, ép nhũ sót , nhăn, trầy xước, bản in offset không đều, phủ bóng và cán màng sót v.v. |
|
Yêu cầu kiểm tra đặc biệt |
Kiểm tra mặt chính |
Các tính năng của hệ thống kiểm tra:
|
Số TT |
Các tính năng của hệ thống kiểm tra
|
| 1 |
Tốc độ tạo mẫu nhanh 1. Tạo mẫu trên một tờ giấy, loại bỏ phương pháp tạo mẫu nhiều tờ giấy truyền thống. Chỉ cần một tờ giấy tốt để tạo mẫu hoàn chỉnh. 2. Loại bỏ thao tác định vị và nhân giấy, giảm thời gian tạo mẫu xuống dưới 2 phút. 3. Tự động chọn vùng hình ảnh và văn bản, vùng nền và vùng dập nóng trong quá trình tạo mẫu, cải thiện đáng kể hiệu quả.
|
|
2 |
Khả năng phát hiện Phần mềm có khả năng phát hiện cực kỳ nhanh các ký tự bị hỏng và thiếu trong bản in nhỏ. Nó có thể phát hiện các lỗi mà camera có thể ghi lại được. |
|
3 |
Phần mềm cực kỳ thông minh Sử dụng công nghệ tiên tiến, phần mềm đảm bảo phát hiện các lỗi cần thiết đồng thời giảm thiểu các lỗi dương tính giả. Có sẵn các cài đặt thông số linh hoạt để đáp ứng các yêu cầu chất lượng công việc khác nhau, đảm bảo không bỏ sót lỗi thực sự nào và không báo cáo lỗi dương tính giả cho các lỗi không ảnh hưởng đến chất lượng giao hàng. |
|
4 |
Loại bỏ lỗi Nếu phát hiện lỗi nghiêm trọng trong quá trình kiểm tra, tín hiệu sẽ được gửi đến bộ phận loại bỏ của máy, tự động loại bỏ mẫu lỗi. |
Danh sách cấu hình hệ thống kiểm tra trực tuyến:
|
1.Cấu hình phần mềm của hệ thống kiểm tra |
|||
|
Tên hệ thống |
Hạng mục | Chức năng |
Ghi chú |
|
Printing Plus V6.0 |
Kiểm tra lỗi | Máy có thể phát hiện các lỗi như vết bẩn, in thiếu nội dung, mực bay, bản in bị nhòe, in chồng lên bản in offset, ép nhũ sót , nhăn, trầy xước, bản in offset không đều, phủ bóng và cán màng sót v.v. | |
| Phân cấp lỗi | Tỷ lệ phát hiện lỗi có thể được điều chỉnh liên tục. Đối với mỗi lỗi, bạn có thể kéo thanh cuộn thủ công để cài đặt khả năng phát hiện lỗi. | ||
| Tạo mẫu mới | Thời gian thay sản phẩm là từ 30 giây đến 1 phút. Toàn bộ quá trình tạo mẫu được chia thành nhiều bước và được hướng dẫn bởi trình hướng dẫn, giúp bạn dễ dàng học hỏi và sử dụng. | ||
| Hiển thị lỗi | Hiển thị hình ảnh lỗi, vị trí lỗi, kích thước lỗi và các thông tin khác của sản phẩm được kiểm tra theo thời gian thực. | ||
| Nhật ký lỗi | Thiết bị này có thể ghi lại hình ảnh lỗi, vị trí lỗi, kích thước lỗi và các thông tin khác của sản phẩm được kiểm tra, đồng thời có thể lưu trữ tới 200 vạn hình ảnh lỗi. | ||
| Hiển thị thời gian thực | Hiển thị hình ảnh in theo thời gian thực | ||
|
2. Cấu hình phần cứng của hệ thống kiểm tra |
|||
|
Tên hệ thống |
Hạng mục | Chức năng |
Ghi chú |
|
Hệ thống phát hiện hình ảnh quang học trực tuyến |
Hệ thống kiểm tra in |
-Camera quét dòng màu tốc độ cao Luster 8K: 1 chiếc
– Camera đen trắng Luster 8K: 2 chiếc -Thấu ống kính hình ảnh quang học: 3 chiếc -Thẻ nhớ ghi hình ảnh tốc độ cao: 3 chiếc -Nguồn sáng vòm: 1 bộ -Nguồn sáng chuyên dụng: 1 bộ -Nguồn sáng 2D : 1 bộ |
|
| Hệ thống điện khí | -Tủ điện chuyên dụng kiểm tra in (bao gồm các linh kiện hỗ trợ tủ)
-Máy tính trạm làm việc tốc độ cao (13400K) -Màn hình LCD 24 inch (hiển thị hình ảnh thời gian thực) -Bàn phím và chuột: 1 bộ -Bộ nguồn UPS -Cáp tủ điện |
||
Danh sách phụ kiện đi kèm máy dán hộp kiểm phẩm Sinosun:
|
Số TT |
Tên linh kiện | Quy cách | Số lượng |
| 1 | Hộp đồ |
1 |
|
|
2 |
Lục | 1 | |
| 3 | Cờ lê | 14-17 |
1 |
|
4 |
Cờ lê | 1 | |
| 5 | Tua vít |
1 |
|
|
6 |
Kìm | 1 | |
| 7 | Bình dầu |
1 |
|
|
8 |
Thanh bàn băng tải | 2 | |
| 9 | Tay quay |
1 |
|
|
10 |
Tấm bàn băng tải |
1 |
Hệ thống phun keo lạnh KQ “bốn bộ điều khiển và ba súng”
(optional tùy chọn mua thêm nếu có nhu cầu)

Đầu thu tự động YL-500ST (Optional tùy chọn mua thêm nếu có nhu cầu)
























